Eresco 65 MF4 — переносной моноблочный рентгеновский аппарат постоянного тока. Применяется в радиографическом неразрушающем контроле в качестве генератора непрерывного излучения с регулируемыми параметрами. Диапазон напряжения: от 5 до 300 кВ. Диапазон тока: 0,5 – 6,0 мА. Просвечиваемая толщина стали — 65 мм с условиями: расстояние 700 мм, пленка D7+Pb, оптическая плотность D=2.0, экспозиция t=10 мин.
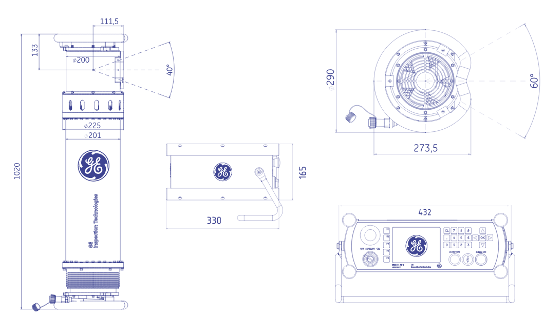
Аппарат Eresco 65 MF4 имеет направленный выход излучения, телесный угол которого в поперечном срезе представляет собой эллипс. Углы раскрытия пучка по горизонтали и вертикали составляют 60° и 40°. Просвечивание выполняется на рентгеновскую плёнку, запоминающие пластины или цифровые детекторы.

Рентгеновский аппарат выделяется рядом эксплуатационных параметров. Сильные стороны Eresco 65 MF4: возможность работы длительное время без перерывов, высокая мощность дозы и её стабильный выход, более однородный по составу спектр излучения, чёткие границы фокального пятна.
Эти и другие особенности позволяют использовать Eresco 65 для решения широкого спектра задач на производстве и выездных мероприятиях — от оценки качества отливок цветного и чугунного литья, до контроля трубопроводов в нефтегазовой отрасли.
Генераторы Eresco хорошо себя показали там, где требуется особый уровень точности и/или важна производительность. Универсальный для аппаратов серии MF микропроцессорный блок управления оснащён интерфейсом для интеграции оборудования в систему управления цеховым участком контроля.
| Направление излучения | направленное |
|---|---|
| Просвет по стали за 10 мин | 65 мм |
| Диапазон высокого напряжения | 5 – 300 кВ |
| Диапазон тока | 0,5 – 6 мА |
| Ток при максимальном напряжении | 3,0 мА / 300 кВ |
| Постоянный режим работы | 900 Вт |
| Номинальное значение фокусного пятна | 3,0 мм (EN12543) 1,5 (IEC 336) |
| Материал анода | (W) Вольфрам |
| Угол наклона мишени | 20° |
| Угол выхода пучка | эллипс 40°×60° |
| Фильтр рентгеновского излучения | 0,8 ± 0,1 мм, Ве |
| Стабильность тока и напряжения | ±1% |
| Требования к электропитанию | 160 – 253 В АС, 80 – 127 В АС, 50 – 60 Гц |
| Вес блока излучения | 40 кг |
Аппараты Eresco эксплуатируются в России уже десятки лет, в том числе и на особо ответственных объектах в атомной отрасли. Они на практике доказали свою надёжность и эффективность. Нередки случаи, когда аппараты Eresco ни разу не выходили из строя до полной выработки ресурса рентгеновской трубки. Компания GE Sensing & Inspection Technologies всегда поддерживала высокие стандарты в области качества производимого оборудования.
Принудительное воздушное охлаждение анода — огромный плюс, позволяющий уйти от зависимости подачи жидкого теплоносителя. Это делает аппарат портативным без снижения мощности. Для изоляции и отвода тепла от других элементов высоковольтного блока используется газовая среда.
Интерфейс управления Eresco 65 интуитивно понятен. Он расположен на лицевой части блока питания и управления. Параметры экспозиции задаются с помощью клавиатуры. На дисплее отображается последовательность операций, необходимое время прогрева, значения анодного напряжения и тока. Индивидуальные настройки можно сохранить в памяти.
Есть возможность работы от переносных электростанций мощностью от 2 кВт. Кабели и соединения герметичны, на разъёмах есть заглушки исключающие попадание снега, воды и грязи внутрь прибора. Корпус Eresco 65 MF4 имеет класс защиты от попадания влаги и пыли IP65. С таким прибором удобно работать в условиях «сырой траншеи».
По отдельному запросу аппарат комплектуется алюминиевыми футлярами для блока излучателя Eresco 65 MF4 и пульта управления Eresco MF4. Они обеспечивают удобство транспортировки оборудования в «трассовых» условиях.
Для позиционирования рентгеновского аппарата Eresco 65 MF4 относительно объекта контроля разработана соответствующая оснастка.
Рентгеновский аппарат Eresco 65 MF4 оснащён интеллектуальной системой для контроля эксплуатационных параметров. Сигналы от датчиков обрабатывает микропроцессор. Система защиты отключит высокое напряжение, если случится:
Для нормальной эксплуатации фирма GE Sensing & Inspection Technologies рекомендует придерживаться общего правила режима «работа – отдых». Время экспозиции — 75%, перерыв в работе 25%. Данные приведены для температуры окружающего воздуха 30°C и максимального напряжения на аноде. При выборе оптимальных параметров, следует учитывать, что нагрев генератора Eresco 65 MF зависит ещё и от рабочего положения блока. Правильная эксплуатация увеличивает срок службы моноблока.
В названии аппаратов Eresco есть аббревиатура MF. Она обозначает технологию обеспечивающую выход постоянной дозы. Иными словами, это схема питания трубки, от которой зависят свойства рентгеновского пучка. Его форма и состав оказывают влияние на выходную мощность, время экспозиции и проникающую способность.
В генераторах серии MF для формирования высокого напряжения применяется двухполупериодный несимметричный умножитель. Его преимущество — отсутствие пульсаций. С выхода умножителя снимается «ровное», в буквальном смысле постоянное напряжение. Умножитель играет роль выпрямителя и питается переменным током частотой 20 кГц от трансформатора.
В сравнении с другими схемами питания, при том же анодном напряжении, технология MF с несимметричным умножителем позволяет отдавать трубке больше энергии. Мощность дозы увеличивается — растут возможности контроля. На экспонирование уходит меньше времени. При прочих равных условиях экспозиции можно просветить большую толщину.
Постоянное напряжение на аноде обеспечивает стабильность рентгеновского пучка. Его легко контролировать. Микропроцессорная система управления аппаратами серии MF поддерживает уровни напряжения и тока в соответствии с настройками. Оператор может быть уверен, что доза всегда будет соответствовать расчётной.
Рентгеновские снимки с Eresco MF выходят более качественными. «Ровный» выход минимизирует влияние излучения, возникающего вне действительного фокусного пятня. Полезный спектр луча при этом более однороден, что позволяет получать контрастные изображения с минимальной нерезкостью. Такие снимки легко расшифровать.
Eresco 65 MF4 имеет классическое для переносных рентгеновских аппаратов исполнение. Комплект оборудования состоит из электронного блока питания/управления Eresco MF, рентгеновского генератора Eresco 65 MF и соединительного кабеля.

Пульт управления Eresco MF является универсальным для рентгеновских генераторов Eresco 32 MF4 C, Eresco 42 MF4 (W), Eresco 52 MF4 CL, Eresco 65 MF4 (W).
Оформить покупку в интернет-магазине. Вам необходимо добавить продукцию в электронную корзину, заполнить короткую заявку и отправить её нам.
Обратится к специалистам «А3 Инжиниринг». Написать на электронную почту, в WhatsApp, или позвонить по номеру телефона. Указать какая товарная позиция вас интересует, а также количество единиц, и получить счет на оплату.
Посетить наш офис, где можно протестировать продукцию, а после оформить заказ.
Наша компания работает с надёжными курьерскими службами, ответственными транспортными компаниями, что позволяет организовать обслуживание клиентов на высшем уровне. Доставка осуществляется по всей территории РФ, Казахстана и Беларуси.
Вы сами выбираете подходящую компанию для получения товара − «Деловые линии», ПЭК, СДЭК «СПСР-экспресс», DHL, «Курьер Сервис», «Грузовозофф». Стоимость доставки зависит от удалённости пункта назначения от нашего склада.
Пункт выдачи СДЕК в г. Москва: Нагорный проезд д.7 стр. 1.
Мы принимаем оплату безналичным способом. Вам необходимо осуществить перевод средств на расчётный счёт нашей компании. Все документы будут подготовлены максимально быстро − за 60-90 минут.
Вместе с продукцией вы получаете:
Также к товару прилагаются официальные документы − инструкция, гарантийный талон, свидетельство о калибровке или поверке, если эти процедуры проводились. Узнать больше можно, позвонив нам по номеру +7 (800) 500-59-46.