В практике ультразвукового неразрушающего контроля (УЗК) важное значение имеют настроечные образцы — специализированные изделия, применяемые для подготовки и проверки измерительной аппаратуры перед выполнением контроля. В ранее действующих нормативных документах такие изделия обозначались как стандартные образцы предприятия (СОП), однако в актуальной нормативной базе используется термин «настроечный образец» (НО).
В соответствии с ГОСТ Р 55724-2013, настроечные образцы относятся к средствам ультразвукового контроля и применяются при настройке и проверке параметров ультразвуковых дефектоскопов, толщиномеров и пьезоэлектрических преобразователей. Их использование направлено на обеспечение стабильной работы аппаратуры и воспроизводимости результатов измерений.
Назначение и принципы использования
Основное назначение настроечных образцов заключается в формировании устойчивой эталонной среды, на которой выполняется настройка измерительных приборов при УЗК. В теле образца создаются искусственные отражатели с заранее заданными геометрическими размерами и акустическими характеристиками. Эхо-сигналы, формируемые такими отражателями, используются для установки рабочих параметров дефектоскопа.
Применение аттестованных настроечных образцов позволяет привести оборудование в требуемое состояние до начала контроля и оценивать стабильность показаний в процессе выполнения работ по УЗК.
По сути, настроечный образец используется как физическая основа для калибровки дефектоскопа или толщиномера при работе с пьезоэлектрическим преобразователем, поскольку содержит отражатели с заранее известными параметрами.
Задачи, решаемые с помощью настроечных образцов
Использование настроечных образцов и калибровочных мер с действующей поверкой или калибровкой при УЗК обеспечивает решение следующих задач:
- определение рабочих параметров пьезоэлектрических преобразователей;
- контроль технической исправности ультразвуковых дефектоскопов и толщиномеров;
- настройку чувствительности и временной развертки приборов;
- установку нулевой точки при работе с прямыми преобразователями;
- корректировку скорости распространения ультразвука при толщинометрии;
- учет влияния температуры, акустических свойств материала и параметров призмы;
- обеспечение сопоставимости и повторяемости результатов ультразвукового контроля при УЗК.
Таким образом, настроечный образец выступает связующим элементом между измерительным оборудованием и объектом контроля, применяемым в рамках УЗК, снижая влияние внешних факторов и аппаратных погрешностей.
Материал и акустическое соответствие
Материал, из которого изготовлен настроечный образец, должен соответствовать материалу контролируемого изделия либо быть максимально близким к нему по акустическим характеристикам, что особенно важно при УЗК. Несоблюдение данного требования может приводить к искажению временной шкалы, ошибкам при настройке чувствительности и неточной оценке глубины залегания дефектов.
Выбор материала настроечных образцов рассматривается как один из ключевых факторов, влияющих на достоверность результатов ультразвукового контроля.
Геометрия и конструктивные особенности
Конструктивное исполнение настроечного образца определяется геометрией объекта контроля и условиями проведения работ по УЗК. На практике применяются образцы в виде прямоугольных брусков, сегментов труб, заготовок, вырезанных вдоль или поперёк трубы, ступенчатых элементов, а также изделий сложной формы.
Внутри образцов формируются искусственные отражатели установленного типа и размеров. В качестве отражающих элементов используются угловые зарубки, плоскодонные отверстия, боковые цилиндрические отверстия, сегментные выемки и другие конструктивные решения. Толщина образца, как правило, соответствует толщине контролируемого изделия.
Нормативные требования и метрологический контроль
Тип, размеры и расположение искусственных отражателей устанавливаются требованиями нормативно-технической документации или технологическими картами контроля. Именно этими документами руководствуется специалист при выборе конкретного настроечного образца.
Качество изготовления НО напрямую влияет на точность определения глубины и протяженности дефектов. В связи с этим настроечные образцы подлежат метрологической аттестации, а отдельные их виды включаются в государственный реестр средств измерений и допускаются к применению только при наличии действующей поверки.
Калибровочные меры, применяемые при УЗК
Наряду с настроечными образцами в ультразвуковом контроле используются калибровочные меры типов СО-1, СО-2, СО-3, СО-3Р, V1 и V2/25. Эти меры входят в обязательный комплект оснащения лабораторий неразрушающего контроля, в область аттестации которых включён ультразвуковой контроль.
Основные виды настроечных образцов
В зависимости от условий контроля и решаемых задач применяются следующие типы настроечных образцов:
- НО Плоский с зарубками
- НО Трубный с зарубками, заготовка, вырезанная вдоль трубы
- НО Трубный ГИБ с зарубками, заготовка, вырезанная поперек трубы
- НО Хордовый с ПДО, заготовка, вырезанная поперек трубы
- НО Ступенька с ПДО (Плоскодонное отверстие) и без ПДО
- Утюг с ПДО
- НО для контроля на расслоение
- НО Перекрестие
- НО со сварным швом
- НО с отражателем типа прямоугольный паз
- НО узкой направленности: в виде анкерных болтов, шпилек, валов и пр.
- НО для контроля с применением фазированных антенных решёток или TOFD, в виде металлической пластины с БЦО
Образцы с угловыми зарубками
Образцы с угловыми зарубками относятся к наиболее распространённым эталонным изделиям. Искусственные отражатели в них выполняются в виде угловых вырезов, расположенных на поверхности заготовки. Основными параметрами таких отражателей являются глубина и ширина зарубок.

Плоский НО
Плоские настроечные образцы применяются при контроле листового проката и труб большого диаметра, как правило превышающего 426 мм, если иное не предусмотрено нормативной документацией. Плоская поверхность обеспечивает стабильный акустический контакт преобразователя.

Трубный НО
Трубные настроечные образцы используются при контроле труб малого диаметра. Геометрия таких образцов повторяет кривизну поверхности трубы и позволяет учитывать особенности распространения ультразвуковых волн.

НО трубный — образцы типа ГИБ
Настроечные образцы типа ГИБ изготавливаются из заготовок, вырезанных поперек трубы. Они применяются при ультразвуковом контроле трубных изгибов и позволяют учитывать влияние кривизны изделия на параметры отраженного сигнала.


Хордовые образцы
Хордовые образцы являются разновидностью трубных НО, однако вместо зарубок в их конструкции используется торцевое плоскодонное отверстие. Такие образцы применяются при работе с хордовыми пьезоэлектрическими преобразователями и обеспечивают формирование стабильного отраженного сигнала.

Универсальные образцы типа «утюг»
Образцы типа «утюг» относятся к универсальным настроечным средствам. В их конструкции предусмотрены плоскодонные отражатели, расположенные на различных глубинах. Один такой образец способен заменить несколько плоских НО различной толщины и угла ввода ультразвука.

Образцы для выявления расслоений
Для контроля расслоений используются образцы с одним или несколькими плоскодонными отверстиями, расположенными на долях номинальной толщины изделия (½, 1/3, 1/4). Они применяются для установки браковочного уровня чувствительности и выявления внутренних дефектов металла. Такие образцы могут изготавливаться как в плоском, так и в трубном исполнении.

Настроечный образец типа «перекрестие»
Настроечные образцы типа «перекрестие» используются при ультразвуковом контроле перекрестий сварных швов резервуаров и других ответственных конструкций. В их конструкции предусматриваются искусственные отражатели в виде плоскодонных отверстий и угловых зарубок.

Ступенчатые образцы
Ступенчатые настроечные образцы представляют собой заготовки с несколькими участками различной толщины. Их основное назначение заключается в калибровке ультразвуковых толщиномеров и проверке линейности измерений в диапазоне рабочих толщин.

Образцы со сварными соединениями
Для настройки ультразвуковых дефектоскопов при контроле сварных соединений используются специальные образцы, содержащие сварной шов, выполненный в соответствии с установленной технологией. В зависимости от конструкции и назначения такие образцы подразделяются на следующие виды.
Плоские образцы со сварным швом с отражателями типа «сквозное отверстие» применяются для установки чувствительности и временной развертки дефектоскопов при контроле сварных соединений и основного металла.

Угловые образцы со сварным швом оснащаются угловыми отражателями типа «зарубка» и отражателями типа «боковое цилиндрическое отверстие». Они используются для настройки чувствительности и длительности развертки дефектоскопов при контроле сварных соединений и основного металла с применением преобразователей типов П121 и П122 в соответствии с требованиями РД-25.160.10-КТН-016-15.

Нахлесточные образцы с нахлесточным сварным швом и отражателями типа «зарубка» применяются для настройки чувствительности и длительности развертки дефектоскопов при контроле сварных соединений и основного металла преобразователями типов П121 и П122 в соответствии с требованиями РД-25.160.10-КТН-016-15.

Калибровочные меры
Мера СО-1
Мера СО-1 изготавливается из оргстекла и используется для определения условной чувствительности дефектоскопов при работе с пьезоэлектрическими преобразователями в диапазоне частот от 1,25 до 5,0 МГц. Дополнительно она применяется для проверки разрешающей способности и оценки точности глубиномера. Также можно проверять лучевую разрешающую способность наклонного ПЭП, пропил на торцевой части – для проверки точности глубиномера при работе с прямым ПЭП, разрешающую способность прямых ПЭП.

Мера СО-2
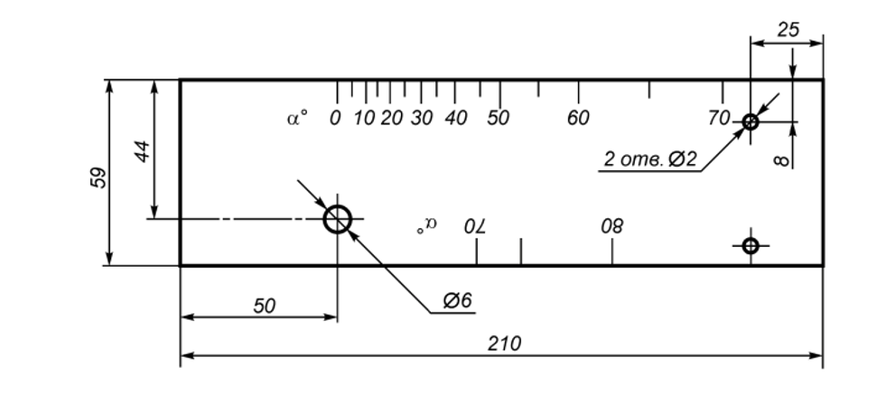
Мера СО-2 предназначена для предварительной настройки ультразвуковых дефектоскопов перед контролем изделий из низкоуглеродистых и низколегированных сталей. Она применяется для определения погрешности глубиномера при работе с прямым пьезоэлектрическим преобразователем.
Также мера используется для измерения угла ввода и оценки чувствительности оборудования. Для этого в её конструкции предусмотрено отверстие диаметром 6 мм, а на верхней поверхности нанесена шкала с обозначениями угла ввода. Перемещая преобразователь вдоль градуированной поверхности, оператор контролирует амплитуду эхо-сигнала. Значение угла ввода определяется в той точке, где амплитуда сигнала достигает максимума.
Кроме того, СО-2 позволяет проверять минимальную глубину прозвучивания и величину «мертвой зоны» преобразователя. С этой целью в корпусе меры выполнены два сквозных цилиндрических отверстия диаметром 2 мм, расположенные на глубине 3 мм и 8 мм.
Мера также используется для определения условной и предельной чувствительности ультразвукового дефектоскопа. Для выполнения этой операции применяется сквозное боковое цилиндрическое отверстие, которое дополнительно позволяет уточнять угол ввода ультразвукового луча, угол раскрытия основного лепестка диаграммы направленности и другие параметры.


Мера СО-3
Мера СО-3 применяется для определения точки выхода ультразвукового луча и стрелы наклонного преобразователя. Помимо этого, данный калибровочный образец используется для проверки предельной чувствительности дефектоскопа по опорному сигналу, формируемому от закругления, радиус которого составляет 55 мм.
Ещё одной областью применения СО-3 является настройка глубиномера при работе как с наклонными, так и с прямыми преобразователями. Также с её помощью измеряется время распространения ультразвуковых колебаний в призме, что необходимо для корректного расчёта временной задержки.
В конструкции СО-3 отсутствуют искусственные отражатели. Основной особенностью меры является радиусная поверхность. Дополнительно на образце нанесена метрическая шкала с делениями от 0 до 20 мм в обе стороны относительно центральных рисок.

Мера СО-3Р
Мера СО-3Р представляет собой прямоугольный блок с одной скруглённой гранью и используется для комплексной настройки параметров ультразвукового оборудования.
В соответствии с требованиями ГОСТ Р 55724-2013, данный калибровочный образец применяется для проверки и настройки следующих характеристик:
- частоты ультразвуковых колебаний;
- чувствительности;
- угла ввода и точки выхода ультразвукового луча;
- погрешности глубиномера и измерения координат залегания несплошностей;
- мертвой зоны;
- разрешающей способности;
- угла раскрытия диаграммы направленности в плоскости падения волны;
- шага сканирования.
Мера СО-3Р широко применяется при ультразвуковом контроле объектов железнодорожного транспорта.

Мера V1
Мера V1 изготавливается в соответствии с международными стандартами ISO 2400 и EN 12223. По форме она напоминает СО-3Р, однако отличается рядом конструктивных особенностей. В частности, радиус цилиндрической поверхности составляет 100 мм вместо 55 мм, предусмотрен выступ с пропилом, а также крупное отверстие с запрессованным цилиндром из оргстекла диаметром 50 мм.
Дополнительно в конструкции меры V1 выполнено сквозное цилиндрическое отверстие диаметром 1,5 мм, предназначенное для проверки предельной чувствительности ультразвукового дефектоскопа.
Калибровочный образец V1 является многофункциональным и во многих случаях дополняет либо заменяет отдельные настроечные образцы. С его помощью специалист по ультразвуковому контролю может:
- настраивать глубиномер и проверять линейность развертки;
- устанавливать скорость развертки поперечных волн;
- определять точку выхода, стрелу и угол ввода наклонного пьезоэлектрического преобразователя;
- проверять минимальную глубину прозвучивания и величину мертвой зоны прямых ПЭП;
- контролировать условную чувствительность дефектоскопа и другие параметры.
Паз в конструкции меры используется для оценки разрешающей способности прямых пьезоэлектрических преобразователей. Двугранный угол, образованный плоской поверхностью и цилиндрической частью, служит для формирования опорного сигнала дефектоскопа при работе с наклонным ПЭП.

Мера V2 (V2/25)
Мера V2 (V2/25) служит для того, чтобы проводить проверку работоспособности и настраивать параметры пьезоэлектрических преобразователей (как прямых, так и наклонных) перед тем, как перейти на настроечный образец, позволяет:
- настроить длительность развертки у прямого или наклонного ПЭП.
- настроить предельную чувствительность контроля с наклонными ПЭП.
- определить угол ввода, точку выхода луча и время задержки у наклонных ПЭП.
- определить опорный уровень сигнала, по амплитуде которого будут строиться АРД-диаграммы.
В качестве отражателя предусмотрено боковое цилиндрическое отверстие.

Применение в лабораториях НК
Настроечные образцы и калибровочные меры являются обязательным элементом оснащения лабораторий неразрушающего контроля. Их наличие и техническое состояние напрямую влияют на возможность выполнения ультразвукового контроля в рамках аттестованной области деятельности.
Хранение и обслуживание
Новые образцы поставляются с консервационной смазкой, которую перед использованием удаляют с применением растворителей. После очистки поверхности тщательно протираются, при этом особое внимание уделяется полостям искусственных отражателей. Наличие жидкости в них может приводить к искажению эхо-сигнала.
При длительном хранении образцы рекомендуется повторно консервировать и размещать в сухом, темном и прохладном помещении.
Заключение
Настроечные образцы и калибровочные меры являются неотъемлемой частью системы ультразвукового неразрушающего контроля. Их правильный выбор, корректное применение и надлежащее обслуживание обеспечивают точность настройки оборудования, достоверность выявления дефектов и надежность оценки технического состояния объектов контроля.



